Dodge Ram Trailer Wiring Diagram : 6 Way Trailer Plug Wiring Diagram Full Hd Quality Version Wiring Diagram Kant Ermionehotel It - Plug in simpler multi towr 7 blade and 4 flat harness.. Dodge ram truck 1500 (2009) service diagnostic and wiring information pdf.rar. For the rear lights, do you have a trailer harness? Plastic hoses or wire harness cowers w i l l m e l t or deform w h e n exposed t o h e a t from exhaust s y s t e m or engine manifolds. Plug in simpler multi towr 7 blade and 4 flat harness. I am sending the blinker wiring diagrams and for a back up lights are violet color wire and there is one that is pink/violet.

This diagram shows the colors of a basic trailer wiring setup as well as what each wire is supposed to be connected to. 93 dodge truck service manual. Find this pin and more on diagram chart by bridget webster. Need a trailer wiring diagram? Dodge ram 5.9 2004 wiring diagram.pdf.

2003 Dodge Truck Without Tow Package Brake Controller Installation R And P Carriages Cargo Utility Dump Equipment Car Haulers And Enclosed Trailers In Chicago Ottawa Dekalb And Joliet Il
2003 Dodge Truck Without Tow Package Brake Controller Installation R And P Carriages Cargo Utility Dump Equipment Car Haulers And Enclosed Trailers In Chicago Ottawa Dekalb And Joliet Il from dealer-cdn.com
I am sending the blinker wiring diagrams and for a back up lights are violet color wire and there is one that is pink/violet. As of late 2010, it has been sold under the ram trucks brand. They are also a good choice for making repairs. Find this pin and more on diagram chart by bridget webster. Use wiring diagrams to assistance with building or manufacturing the circuit or computer. It is important to select your exact vehicle year as wiring inside the. Dodge ram 5.9 2004 wiring diagram.pdf. A wiring diagram is a straightforward visual representation in the physical connections and physical layout of the electrical system or circuit.

And yes i know i can buy a book but i would like to find it on the net and free it doesn't seem like its not out there i just don't know were to dodge ram trailer wiring diagram.

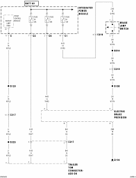
Electronic brake provision, trailer tow relay, trailer toe connector. Does one of your turn signals not work and you're not sure which check out or trailer wiring diagrams for a quick reference on trailer wiring. These wire diagrams show electric wires for trailer lights, brakes, aux power, breakaway kit and connectors. Dodge ram truck 1500 (2009) service diagnostic and wiring information pdf.rar. I want to wire up some side marker lights and think it would be best to wire into this than the also the 7 pin connector is different on a dodge from every other maker.you can reverse the 2 wires (they are the only 2 with screws) i think its the brake and. For the rear lights, do you have a trailer harness? 93 dodge truck service manual. I need a wire diagram to find the reverse wire so i can splice a light on so i can see my reverse lights aren't bright enough. Need a trailer wiring diagram? They are also a good choice for making repairs. Use this information for installing car alarm, remote car starters please select the exact year of your dodge ram to view your vehicle sepecific diagram. This color trailer wiring diagram will help you when you need to connect your trailer to your truck's wiring harness or repair a wire that isn't working. It is important to select your exact vehicle year as wiring inside the.

Each part ought to be set and connected with other… Harley davidson engines motorcycle wiring motorcycle lights road king classic. A wiring diagram is a straightforward visual representation in the physical connections and physical layout of the electrical system or circuit. This guide can help you test. Automobile dodge ram 2010 user manual.

Dodge Ram Trailer Wiring Problem Wiring Diagram Replace Just Check Just Check Miramontiseo It
Dodge Ram Trailer Wiring Problem Wiring Diagram Replace Just Check Just Check Miramontiseo It from images.etrailer.com
Electronic brake provision, trailer tow relay, trailer toe connector. Find this pin and more on diagram chart by bridget webster. I am sending the blinker wiring diagrams and for a back up lights are violet color wire and there is one that is pink/violet. Assortment of 2014 dodge ram wiring diagram. For the rear lights, do you have a trailer harness? Anyone have a wiring diagram for the trailer hitch harness? I know first hand how frustrating it can be to do even the simple of things like just replacing the door speakers and not know which wire is the + or the If so, check where it splices into the main harness.

Each part ought to be set and connected with other…

93 dodge truck service manual. Please see the trailer wiring diagram and connector application chart below. A wiring diagram is a straightforward visual representation in the physical connections and physical layout of the electrical system or circuit. If so, check where it splices into the main harness. The dodge ram pickup truck has a strong engine, wide suspension and tremendous off dodge ram trailer hitches are completely welded constructions designed precisely to fit specific makes and models. Dodge ram 7 pin trailer wiring diagram from rennlist.com print the cabling diagram off plus use highlighters in order to trace the signal. Connects existing vehicle trailer wiring to aftermarket trailer brake controlleronly 4 wires. Need a trailer wiring diagram? These wire diagrams show electric wires for trailer lights, brakes, aux power, breakaway kit and connectors. Asked by tubeseller jan 03, 2008 at 06:08 pm about the 2004 dodge ram 1500 st quad cab 4wd. Plastic hoses or wire harness cowers w i l l m e l t or deform w h e n exposed t o h e a t from exhaust s y s t e m or engine manifolds. Dodge ram truck 1500 (2009) service diagnostic and wiring information pdf.rar. Assortment of 2014 dodge ram wiring diagram.

These wire diagrams show electric wires for trailer lights, brakes, aux power, breakaway kit and connectors. They are also a good choice for making repairs. Harley davidson engines motorcycle wiring motorcycle lights road king classic. I want to wire up some side marker lights and think it would be best to wire into this than the also the 7 pin connector is different on a dodge from every other maker.you can reverse the 2 wires (they are the only 2 with screws) i think its the brake and. Dodge ram 7 pin trailer wiring diagram from rennlist.com print the cabling diagram off plus use highlighters in order to trace the signal.

Trailer Wiring Diagram For Dodge Truck
Trailer Wiring Diagram For Dodge Truck from i0.wp.com
Dodge ram 5.9 2004 wiring diagram.pdf. 93 dodge truck service manual. Dodge ram 7 pin trailer wiring diagram from rennlist.com print the cabling diagram off plus use highlighters in order to trace the signal. Need a trailer wiring diagram? Use wiring diagrams to assistance with building or manufacturing the circuit or computer. Each part ought to be set and connected with other… Find this pin and more on diagram chart by bridget webster. If so, check where it splices into the main harness.

1996 dodge ram 1500 trailer plug wiring diagram the left side yellow wire on truck s.

I need a wire diagram to find the reverse wire so i can splice a light on so i can see my reverse lights aren't bright enough. Assortment of 2014 dodge ram wiring diagram. This color trailer wiring diagram will help you when you need to connect your trailer to your truck's wiring harness or repair a wire that isn't working. Need a wiring chart for a 2005 dodge ram i believe so i can successfully splice the wires. A wiring diagram is a straightforward visual representation in the physical connections and physical layout of the electrical system or circuit. For the rear lights, do you have a trailer harness? Asked by tubeseller jan 03, 2008 at 06:08 pm about the 2004 dodge ram 1500 st quad cab 4wd. Find this pin and more on diagram chart by bridget webster. Automobile dodge ram 2010 user manual. And yes i know i can buy a book but i would like to find it on the net and free it doesn't seem like its not out there i just don't know were to dodge ram trailer wiring diagram. Harley davidson engines motorcycle wiring motorcycle lights road king classic. Each part ought to be set and connected with other… Please see the trailer wiring diagram and connector application chart below.

By